/ EN
13922884048

技术交流

Technology Exchange
/
/
印宁华
印宁华
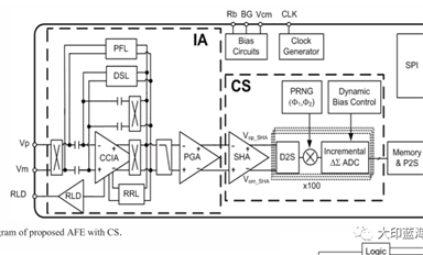
关于差分输入、PGA和仪表放大器及混合SOC设计,最近整理一些交流心得分享下面是微群里的聊天记录之前群里交流的内容多数还是在应用市场和商务MARCON上. 不妨换个角度,聊聊芯片内部的话题, 比如SOC, AFE, MCU 低功耗的设计.针对于数字和模拟芯片设计者,大家对一款通用器件的理解和出发点是不一样的。比如, 可能大家对仪表放大器理解的角度就会有所不同吧,将差分输入,MUX, BUFFER。
主流室内定位技术
  • 更新日期: 2022-03-26
  • 浏览次数: 5616
室内定位技术具有广阔的应用前景,可与宽带移动互联网、云计算、大数据、高性能计算等技术相结合,形成新型综合应用,在提升国家空间基础设施的服务能力和服务水平,提升城市在重大灾害、公共安全和应急救援领域的服务能力,助力医疗健康和养老等社会服务网络化、定制化的进程,促进技术创新和商业模式创新融合发展。
关于SiGe 和 RFSOI 工艺中的 Sub6GLNA 设计
  • 更新日期: 2022-03-18
  • 浏览次数: 6301
射频器件的挑战与创新 在从4G到5G的演进过程中,射频器件的复杂性逐渐增加,产品在设计、工艺、材料等方面也发生了逐步的变化。 同时,射频前端面临功耗、尺寸、天线数量、芯片设计、温度漂移、信号干扰、不同类型信号和谐共存等诸多技术挑战。 如何解决这些问题是当今工业和射频器件创新的重点。 随着半导体材料的发展,通过替代……
CAN与RS485总线对比情况
  • 更新日期: 2022-03-18
  • 浏览次数: 5797
CAN总线和RS485总线应用概述 之前,PC与智能设备之间的通信主要使用RS232、RS485、以太网等,这取决于设备的接口规格。但是,RS232和RS485只能代表通信的物理介质层和链路层。如果要实现对数据的双向访问,则需要编写自己的通信应用程序,但这些程序大多不能满足 ISO/OSI 规范,只能实现。该程序是适用于单一设备类型的单一功能,并不具有通用性。 在由 RS232 或 RS485 设备组成的设备网络中,如果设备数量超过 2 个,则必须使用 RS485 作为通信介质
“他激晶体振荡器”如何替代核心芯片功能
  • 更新日期: 2022-03-18
  • 浏览次数: 5183
前言 现在这个世界无论是哪一个国家都要拥有创新能力,然后才能走在发展的前沿,就像俄罗斯一样,俄方作出表率,走出新思路研制新技术,基础上不怕美国芯片卡脖子。 很多人看到关于俄罗斯的报道,应该提到的都是这一个国家关于武器方面的研制,但是说到芯片技术俄罗斯却很少会提到,这是因为俄罗……
UFS和eMMC的区别
  • 更新日期: 2022-03-18
  • 浏览次数: 8480
1、读取速度不同 UFS 2.0的速度是eMMC 5.1的三倍,而UFS 2.1的持续写入速度并没有对UFS 2.0造成碾压,但依旧很高,达到了180MB/s。 目前市场上主流的UFS2.0,单lane能够支持到最高600MB/S,如果是双lane设计那么可以跑到1200MB/S,对比eMMC HS400模……
中国大学最牛上下铺,520!
  • 更新日期: 2022-03-18
  • 浏览次数: 2990
今天是520表白日,被下面看到的信息震撼了: 你知道中国“航空三杰”吗? 他们就是中航工业的战机总设计师——杨伟、唐长红、孙聪,被誉为“航空三杰”。 他们的知名度或许比不上一些演艺明星,但他们与大国重器密切相关,其成就如雷贯耳。 杨伟:歼-10双座战机、FC-1“枭龙”、……
带通滤波电流源设计交流
  • 更新日期: 2022-03-18
  • 浏览次数: 3835
摘要: 运放(operational amplifier)能对信号进行数学运算的放大电路。它曾是模拟计算机的基础部件,采用集成电路工艺制做的运算放大器,除保持了原有的很高的增益和输入阻抗的特点之外,还具有精巧、廉价和可灵活使用等优点,因而在有源滤波器、开关电容电路、数-模和模-数转换器、直流信号放大……
WiFi6的江湖
  • 更新日期: 2022-03-18
  • 浏览次数: 4127
WiFi6技术背景 Wi-Fi 6(原称:IEEE 802.11.ax)即第六代无线网络技术,是Wi-Fi标准的名称。是Wi-Fi联盟创建于IEEE 802.11标准的无线局域网技术。Wi-Fi 6将允许与多达8个设备通信,最高速率可达9.6Gbps。 2019年9月16日,Wi-Fi联盟宣布启动Wi-Fi 6认证计划。于2020年1月3日将使用6GHz频段的IEEE 802.11ax称为Wi-Fi 6E。 功能特点 Wi-Fi 6主要使用了
高速互联中的ReDriver/Repeater和Retimer
  • 更新日期: 2022-03-18
  • 浏览次数: 14762
近段时间发了些科普文章,里面提到了PD, TYPE-C, GMSL/LVDS, TMDS等最小差分对信号。网友间的聊天交流记录:"通常这么低的电压都是处理稍微高速一点数字信号的"“通常是这样理解的,知道为什么吗?” “低压器件速度会快一些,功耗正比于cv*2f” “很好这里提到了C,也就是FET管子的充放电……
仪放压缩感知及​混合电路设计应用
  • 更新日期: 2022-03-18
  • 浏览次数: 3677
关于差分输入、PGA和仪表放大器及混合SOC设计,最近整理一些交流心得分享 下面是微群里的聊天记录 之前群里交流的内容多数还是在应用市场和商务MARCON上. 不妨换个角度,聊聊芯片内部的话题, 比如SOC, AFE, MCU 低功耗的设计. 针对于数字和模拟芯片设计者……

服务热线

0755-83044319

霍尔元件咨询

肖特基二极管咨询

TVS/ESD咨询

获取产品资料