/ EN
13922884048

技术交流

Technology Exchange
/
/
印宁华
印宁华
关于差分输入、PGA和仪表放大器及混合SOC设计,最近整理一些交流心得分享下面是微群里的聊天记录之前群里交流的内容多数还是在应用市场和商务MARCON上. 不妨换个角度,聊聊芯片内部的话题, 比如SOC, AFE, MCU 低功耗的设计.针对于数字和模拟芯片设计者,大家对一款通用器件的理解和出发点是不一样的。比如, 可能大家对仪表放大器理解的角度就会有所不同吧,将差分输入,MUX, BUFFER。
数模混合电路设计布局
  • 更新日期: 2023-03-27
  • 浏览次数: 4230
PCB设计正在成为整个电子设计工艺中的焦点,现在有许多PCB不再是单一功能电路,而是由数字电路和模拟电路混合构成的。
400G 以太网PAM-4信令取代NRZ
  • 更新日期: 2023-03-17
  • 浏览次数: 2873
由于 NRZ 信令不足并且 PAM-4 能够以波特率的一半实现更高的比特率,因此设计人员可以继续以有望达到 400G 的以太网数据速率使用现有信道
TOF飞行时间技术
  • 更新日期: 2023-03-16
  • 浏览次数: 4506
飞行时间技术在广义上可理解为通过测量物体、粒子或波在固定介质中飞越一定距离所耗费时间
特斯拉下一代永磁电机去稀土分析
  • 更新日期: 2023-03-16
  • 浏览次数: 3067
特斯拉公司表示,新一代永磁电机可以在效率和质量上达到甚至比稀土材料电机更高的水平。
固态与半固态动力电池
  • 更新日期: 2023-03-14
  • 浏览次数: 5352
由于科学界认为锂离子电池已经到达极限,固态电池于近年被视为可以继承锂离子电池地位的电池。
GAAFET与FinFET工艺
  • 更新日期: 2023-03-10
  • 浏览次数: 5653
三星在年初的IEEE国际固态电路大会(ISSCC)上,公布3nm制造技术的一些细节,包括类似全栅场效应晶体管(GAAFET)结构,率先开启先进工艺在技术架构上的转型。知名能源与电力媒体eenews报道称,三星工厂已经流片采用环绕栅极 (GAA) 晶体管架构的3nm芯片,通过纳米片(Nanosheet)制造出MBCFET……
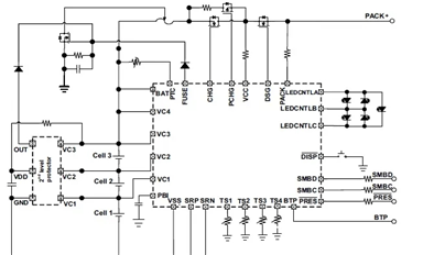
关于BMS的AFE
  • 更新日期: 2023-02-25
  • 浏览次数: 7951
AFE概述 BMS中芯片选型最重要的非AFE莫属了。可以说AFE 的方案直接决定了整个BMS 的系统方案。下面针对现在通用的BMS方案,做一下总结,聊一下具有代表性的几个大厂的AFE。 TI方案 说到关于半导体行业的大佬,TI真是应有具有。TI的AFE也比较强大,从低压到高压覆盖面也很广了。下面聊一聊 1串~4串的AFE有BQ40z50-R1,适用范围:笔记本电脑、医疗与测试设备、便携式仪表。 图片来源于TI官网 BQ76
网格划分类型与算法
  • 更新日期: 2023-02-24
  • 浏览次数: 3912
网格方案的选取和网格质量是CAE仿真分析的支点,没有网格就没有数值计算。网格没有认真对待,你给我一个结果,我也不相信。 ……
轨道交通CAN通信工程应用
  • 更新日期: 2023-02-08
  • 浏览次数: 2605
CAN总线是一种工业控制系统,我们在路上看到的许多汽车里面的控制电路其实采用的就是CAN总线。它是德国著名企业博世公司开发出来的,本来的目的就是配合进行汽车电子产品的升级工作。 后来因为它的线路数据传输速度快,可连接节点设备多,它还被用于工业自动化生产,人工智能开发,有轨电车控制,消防主机联动等方面。对,没错,地铁这种有轨电车系统的控制其实采用的就是CAN总线。 毕竟每天无数的民众都在乘坐地铁进行出行,地铁的控制系统抗干扰系数一定要高,数据传输效能一定要满足安全需要,CAN总线
超导单电子晶体管-约瑟夫森结
  • 更新日期: 2023-02-01
  • 浏览次数: 3914
由两块超导体夹而构成的结构 由很薄的绝缘体或正常导体隔开,或由截面很小的超导桥隔开,因而仅存在弱耦合的两个超导体形成的结。 约瑟夫森结(Josephson junction),或称为超导隧道结。一般是由两块超导体夹以某种很薄的势垒层 ( 厚度 ≤ Cooper电子对的相干长度)而构成的结构,例如S(超导体)……
量子芯片与量子计算
  • 更新日期: 2023-02-01
  • 浏览次数: 3944
前言在量子计算中,作为量子信息单位的是量子比特,量子比特与经典比特相似,只是增加了物理原子的量子特性。由于量子比特具有量子性,因此量子比特包含信息更多,且有望实现更快的计算速度。比超级计算机快百万亿倍 仅是量子计算“星辰大海”的第一步   一台30个量子比特的量子计……
固态硬盘颗粒MLC和TLC
  • 更新日期: 2022-11-26
  • 浏览次数: 3554
爱思助手显示SSD硬盘类型为TLC,下文科普一下不同的内存颗粒。 在选购固态硬盘的时候,可能不少小伙伴会发现存在固态硬盘颗粒不同的型号,比如MLC和TLC等。那么常说的MLC和TLC有什么区别呢?下面就教下大家固态硬盘颗粒MLC和TLC的区别。 首先,SLC、MLC、TLC及近2年新出的QLC四者是……

服务热线

0755-83044319

霍尔元件咨询

肖特基二极管咨询

TVS/ESD咨询

获取产品资料